Arena Łazienek
/skins/user/rwd_shoper_35/

Kolano przyłączeniowe GEBERIT MAPRESS Edelstahl d18 1/2GW 33405

Kolano przyłączeniowe GEBERIT MAPRESS Edelstahl d18 1/2GW 33405

1px 1px 1px 1px 1px 44 ocen |
Kod produktu:

33405

| Producent:

GEBERIT

Cena: 119,00 zł 119.00
Cena katalogowa: 149,00 zł
ilość - +
dostępność
w magazynie
Produkt gotowy do szybkiej wysyłki lub odbioru
dostawa
24 godziny
loader
dostawa

Najtańsza dostawa:

Ten produkt odbierzesz za darmo w naszych salonach

Opis produktu

Opinie

Kolano przyłączeniowe GEBERIT MAPRESS Edelstahl d18 1/2GW 33405


Kolanko przyłączeniowe Geberit Mapress Edelstahl 90°


Kolanko przyłączeniowe Geberit Mapress Edelstahl 90° to wysokiej jakości element instalacyjny wykonany ze stali nierdzewnej. Umożliwia łatwe i trwałe połączenie rur pod kątem 90°, zapewniając szczelność i odporność na korozję.


Cechy produktu:

  • Do zimnej i ciepłej wody
  • Do wody chłodzącej i grzewczej bez środka zapobiegającego zamarzaniu
  • Do wody chłodzącej i grzewczej ze środkiem zapobiegającym zamarzaniu
  • Do wody ciepłowniczej ≤ 120 °C
  • Do pary nasyconej ≤ 120 °C
  • Do wody produkcyjnej i procesowej
  • Do uzdatnionej wody
  • Do wody deszczowej o współczynniku pH ≥ 5.5
  • Do ścieków szarych i czarnych o współczynniku pH ≥ 5.5
  • Do tryskacza (mokro)
  • Do chemikaliów i płynów technicznych
  • Do sprężonego powietrza (klasa czystości oleju 0–3)
  • Do podciśnienia
  • Do gazów obojętnych (np. azot)
  • Do gazów przemysłowych (np. acetylen, gazy ochronne do spawania)
  • Do instalacji domowych, w przemyśle i budownictwie okrętowym
  • Wskaźnik zaciśnięcia
  • Połączenie szczelne dopiero po zaprasowaniu
  • Dwa punkty mocowania
  • Uszczelka z CIIR czarna
  • Mufa zaprasowywana z przezroczystą zaślepką ochronną
  • Materiał: Stal CrNiMo 1.4401 (EN 10088)

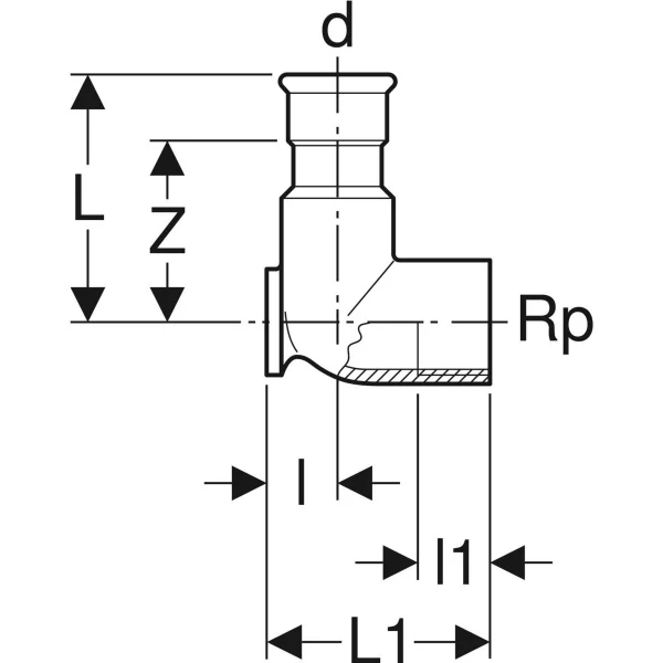
Wymiary:

  • DN: 15
  • d: 18 mm
  • Rp: 1/2 ''
  • kąt: 90 stopni
  • L: 5 cm
  • L1: 4,3 cm
  • I: 1,3 cm
  • I1: 1,5 cm
  • Z: 3 cm

Dane techniczne

Koszty dostawy

Cena nie zawiera ewentualnych kosztów płatności
Kraj wysyłki:

Opinie

Opinie, czyli co myślą inni

Masz ten produkt? Doradź innym przed zakupem

Napisz opinię

Dodaj opinię x

Kolano przyłączeniowe GEBERIT MAPRESS Edelstahl d18 1/2GW 33405

Bezpieczeństwo

do góry
Sklep jest w trybie podglądu
Pokaż pełną wersję strony
Sklep internetowy Shoper Premium